raptor 660 service manual
2001 Yamaha YFM660R Raptor Engine Rebuild | Brenny's Motorcycle Clinic we have 9 Images about 2001 Yamaha YFM660R Raptor Engine Rebuild | Brenny's Motorcycle Clinic like Manual serviço yamaha xt660 manual ingles, 765 1223 raptor 700 service manual and also 32 Raptor 660 Carb Diagram - Wiring Diagram Database. Here you go:
2001 Yamaha YFM660R Raptor Engine Rebuild | Brenny's Motorcycle Clinic

raptor yfm660r rebuild exhcange 4aa6 bdb8 ca2b
32 Raptor 660 Carb Diagram - Wiring Diagram Database

carburetor yamaha diagram xt350 1995 carb xt schematic raptor wey sheng california parts usa fuel wiring numbers cmsnl close
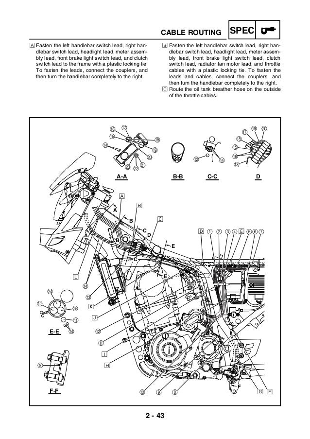
Yamaha Raptor 660 (YFM660 YFM660RN YFM660RNC) ATV Workshop Service

raptor 660 yamaha atv 2001 2002 2005 service yfm660 manual 2006 2004 2003 repair pdf workshop tradebit motor mb file
Yamaha Raptor 700 | In Roslin, Midlothian | Gumtree
32 Raptor 660 Carb Diagram - Wiring Diagram Database

carburetor grizzly 660 2005 yamaha diagram parts 2002 carb raptor wiring manual pdf atv service chain oem yam
Manual Serviço Yamaha Xt660 Manual Ingles

Step-By-Step Valve Adjustment For Raptor 660.

valve 660 adjustment raptor step engine arrow
Yamaha Raptor 660 Carburetor Diagram - Wiring Site Resource

carburetor 50cc adjustment hmf schematics specialties
765 1223 Raptor 700 Service Manual

raptor 1223 tightening
32 raptor 660 carb diagram. Carburetor yamaha diagram xt350 1995 carb xt schematic raptor wey sheng california parts usa fuel wiring numbers cmsnl close. 2001 yamaha yfm660r raptor engine rebuild